您现在的位置是:首页 >> 产品中心 >> 博世力士乐产品 >> 1.2 力士乐丝杠

产品中心PRODUCT CENTER

1.2 力士乐丝杠

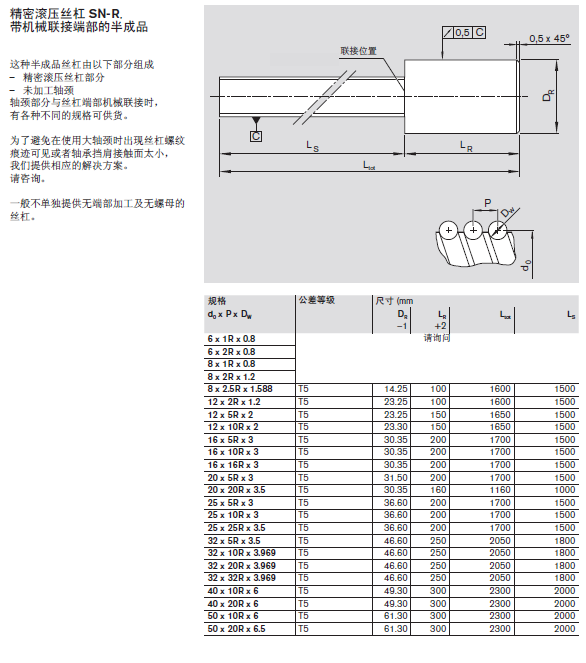
精密滚压丝杠SN-R
产品品牌:
产品系列: 博世力士乐产品
详细介绍