您现在的位置是:首页 >> 产品中心 >> 博世力士乐产品 >> 1.2 力士乐丝杠

产品中心PRODUCT CENTER

1.2 力士乐丝杠

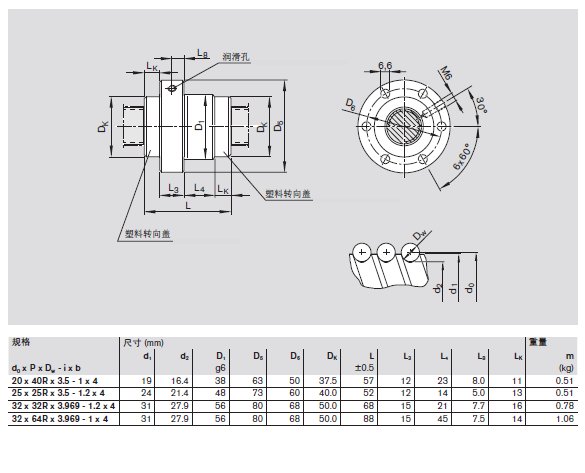
带转向盖的法兰式单螺母FEP-E-S
产品品牌:
产品系列: 博世力士乐产品
详细介绍