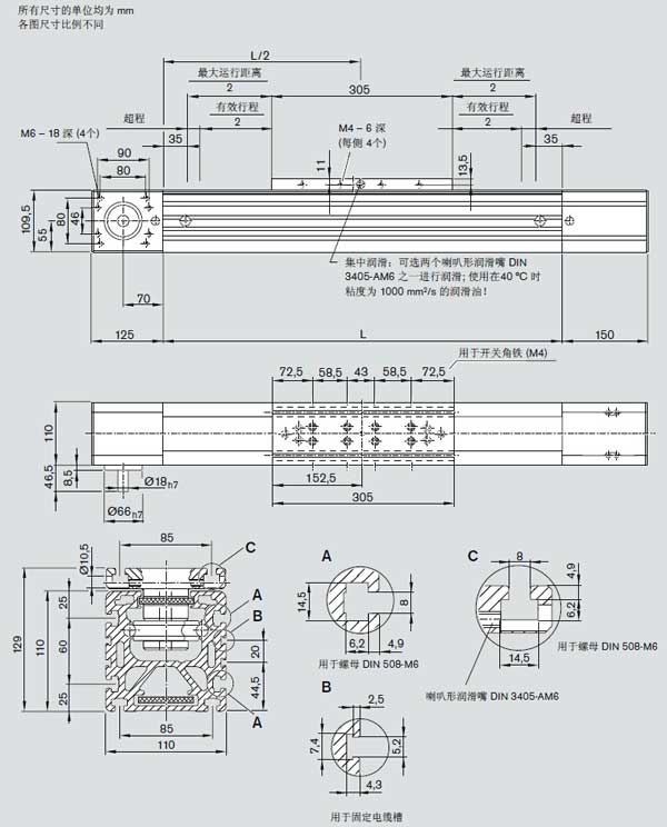
R114826010 MLR10-110力士乐模组
部 件 号:R114826010
系统:直线运动模块,闭式(M)
导向系统:滚轮导轨导向系统(L)
传动系统:齿形带传动系统(R)
配有滚轮导轨导向系统和齿形带传动系统的直线运动模块——R114826010 MLR10-110力士乐模组
集成式、无间隙力士乐滚轮导轨导向系统由于其专门的设计而拥有极高的速度 (至 10 m/s)。
弯曲变形:直线运动模块的一个重要特性就是它的简支安装可能性。在此必须注意它的弯曲变形:它限制了可能的负载。在超过最大许用弯曲变形时,必须附加支撑。
最大许用弯曲变形 fmax:最大许用弯曲变形 fmax 取决于长度 L和负载 F。cc不许超过 fmax 值!在对系统动态特性有高要求时,应在每 300 至600 mm 间附加支撑。
|
滑台长度
|
305
|
|
|
额定动载荷 Cx
|
31 000
|
|
|
额定动载荷 Cy
|
18 200
|
|
|
额定动转矩 Mt
|
629
|
|
|
额定动转矩 ML
|
1121
|
|
|
最大允许负载力力矩 Fx,max
|
8000
|
|
|
最大允许负载力力矩 Fy,max
|
4800
|
|
|
最大允许负载力力矩 Mt,max
|
49
|
|
|
最大允许负载力力矩 Ml,max
|
302
|
|
|
滑台重量 kg
|
3.3
|
|
|
最大长度 Lmax
|
10000
|
|
|
面转动惯量 lx
|
423
|
|
|
面转动惯量 ly
|
686
|
|
|
齿形带型号
|
AT 10
|
|
|
宽度 mm
|
50
|
|
|
齿距 mm
|
10
|
|
|
最大齿形带传动力 N
|
1740
|
|
|
弹性极限 N
|
7500
|
|
|
重量 kg
|
0.0141*L+10.3
|
|

|